Warning: DOMXPath::query(): Invalid expression in /www/o/w/u210583/public_html/administrator/components/com_jchoptimize/lib/src/Css/Callbacks/ExtractCriticalCss.php on line 192
Luxman RV-371-Schematic - Ownersmanual.eu
Download details
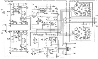
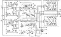
Luxman RV-371-Schem Luxman RV-371-Schematic
Rating:
(0 votes)
Created 15.12.2025
Changed 15.12.2025
Size 175.9 KB
Downloads 3